专利数据库
统计分析
产业报告
专利数据监控
产业人才
行业动态
产业政策法规
维权援助
个人中心
详情
文本
图像
标题
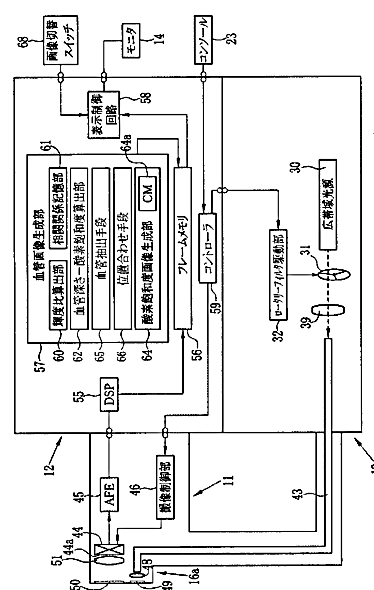
電子内視鏡システム
授权日
1900-01-01
公开(公告)号
JP2011194151A
申请日
2010-03-23
公开(公告)日
2011-10-06
当前申请(专利权)人
富士フイルム株式会社
发明人
齋藤 孝明
简单同族
CN102197982A | CN102197982B | EP2368486A2 | EP2368486A3 | EP2368486B1 | JP2011194151A | JP5393554B2 | US20110237884A1
简单同族成员数量
8
简单同族被引用专利总数
100
诉讼案件数
0
法律状态/事件
授权
抱歉,您的浏览器不支持PDF预览,请点击链接下载PDF文件