专利数据库
统计分析
产业报告
专利数据监控
产业人才
行业动态
产业政策法规
维权援助
个人中心
详情
文本
图像
标题
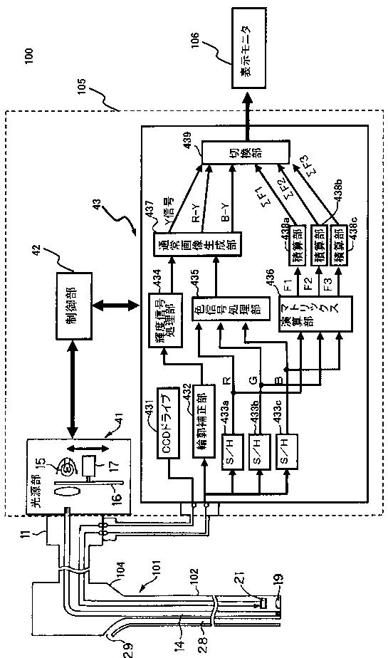
電子内視鏡装置
授权日
1900-01-01
公开(公告)号
JP2013226467A
申请日
2013-08-15
公开(公告)日
2013-11-07
当前申请(专利权)人
株式会社東芝
发明人
藤田 寛
简单同族
JP2013226467A
简单同族成员数量
1
简单同族被引用专利总数
0
诉讼案件数
0
法律状态/事件
驳回 | 权利转移
抱歉,您的浏览器不支持PDF预览,请点击链接下载PDF文件