专利数据库
统计分析
产业报告
专利数据监控
产业人才
行业动态
产业政策法规
维权援助
个人中心
详情
文本
图像
标题
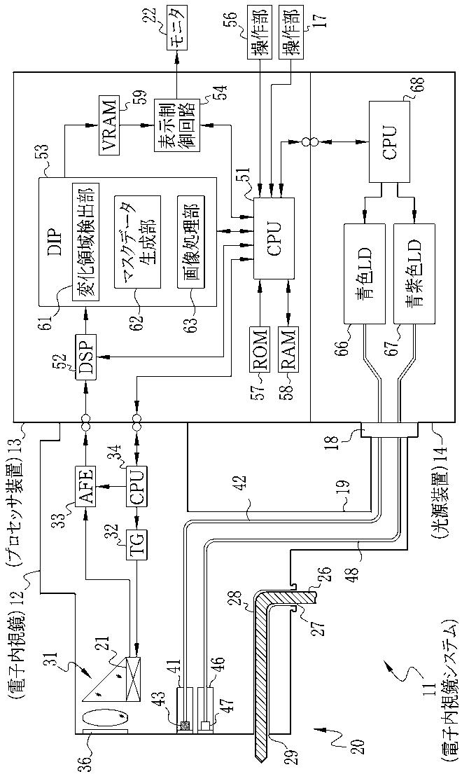
電子内視鏡システム及び画像処理方法
授权日
1900-01-01
公开(公告)号
JP2012152266A
申请日
2011-01-24
公开(公告)日
2012-08-16
当前申请(专利权)人
富士フイルム株式会社
发明人
加來 俊彦
简单同族
EP2479724A2 | EP2479724A3 | EP2479724B1 | JP2012152266A | JP5269921B2 | US20120188351A1 | US9111335
简单同族成员数量
7
简单同族被引用专利总数
23
诉讼案件数
0
法律状态/事件
授权
抱歉,您的浏览器不支持PDF预览,请点击链接下载PDF文件