专利数据库
统计分析
产业报告
专利数据监控
产业人才
行业动态
产业政策法规
维权援助
个人中心
详情
文本
图像
标题
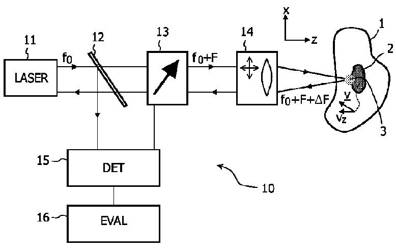
レーザ光学フィードバック断層撮影センサ及び方法
授权日
1900-01-01
公开(公告)号
JP2008545500A
申请日
2006-06-01
公开(公告)日
2008-12-18
当前申请(专利权)人
コーニンクレッカ フィリップス エレクトロニクス エヌ ヴィ
发明人
クルーゲル サスカ | ニールセン ティム
简单同族
EP1903933A2 | JP2008545500A | US20080208022A1 | WO2006131859A2 | WO2006131859A3
简单同族成员数量
5
简单同族被引用专利总数
39
诉讼案件数
0
法律状态/事件
驳回
抱歉,您的浏览器不支持PDF预览,请点击链接下载PDF文件