专利数据库
统计分析
产业报告
专利数据监控
产业人才
行业动态
产业政策法规
维权援助
个人中心
详情
文本
图像
标题
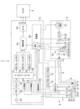
医療装置
授权日
1900-01-01
公开(公告)号
JP2009034224A
申请日
2007-07-31
公开(公告)日
2009-02-19
当前申请(专利权)人
オリンパスメディカルシステムズ株式会社
发明人
矢部 雄亮 | 戸田 真人 | 小林 至峰 | 大森 浩司 | 山下 真司 | 菅 武志 | 金子 和真
简单同族
EP2020202A2 | EP2020202A3 | EP2020202B1 | EP2020202B9 | JP2009034224A | US20090036743A1 | US8231526
简单同族成员数量
7
简单同族被引用专利总数
104
诉讼案件数
0
法律状态/事件
驳回
抱歉,您的浏览器不支持PDF预览,请点击链接下载PDF文件