专利数据库
统计分析
产业报告
专利数据监控
产业人才
行业动态
产业政策法规
维权援助
个人中心
详情
文本
图像
标题
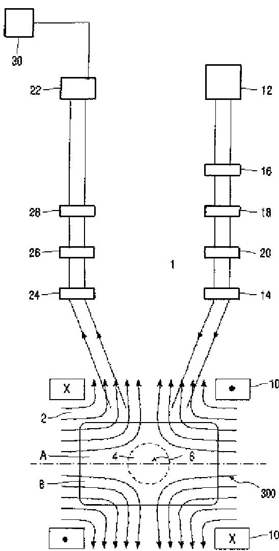
検査エリアにおける状態変数の空間分解を決定する装置及び方法
授权日
1900-01-01
公开(公告)号
JP2006524533A
申请日
2004-04-15
公开(公告)日
2006-11-02
当前申请(专利权)人
コーニンクレッカ フィリップス エレクトロニクス エヌ ヴィ
发明人
グライヒ ベルンハルド
简单同族
AT543428T | CN1774200A | CN1774200B | EP1615544A2 | EP1615544B1 | JP2006524533A | JP2006524533A5 | JP4890242B2 | US20060211941A1 | US7747304 | WO2004091386A2 | WO2004091386A3
简单同族成员数量
12
简单同族被引用专利总数
154
诉讼案件数
0
法律状态/事件
授权
抱歉,您的浏览器不支持PDF预览,请点击链接下载PDF文件