专利数据库
统计分析
产业报告
专利数据监控
产业人才
行业动态
产业政策法规
维权援助
个人中心
详情
文本
图像
标题
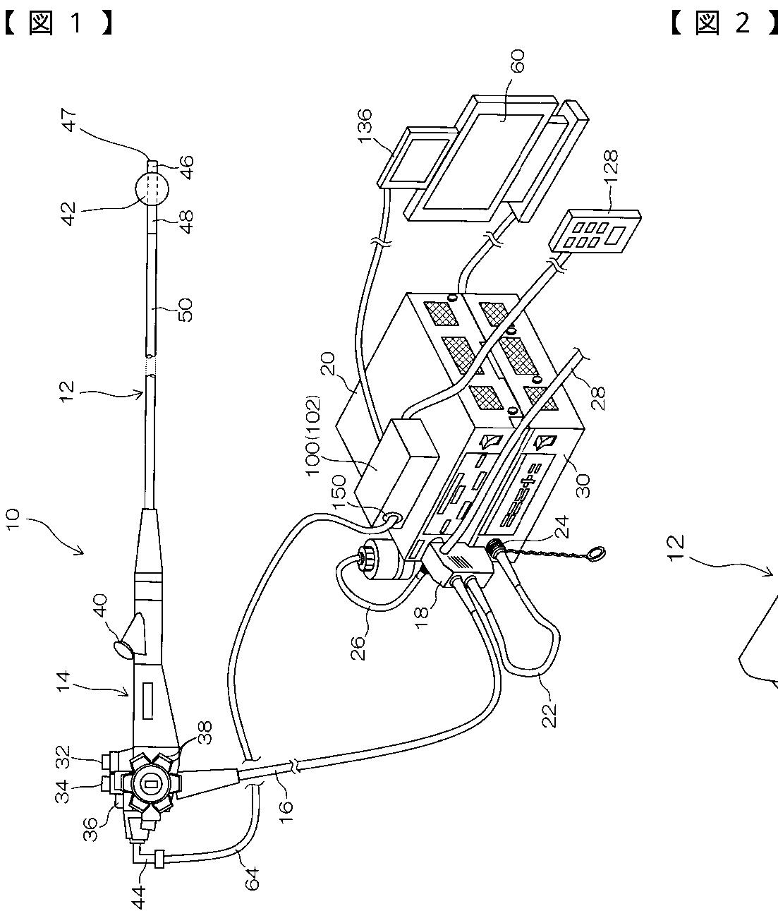
バルーン制御装置
授权日
2006-07-07
公开(公告)号
JP3823321B2
申请日
2004-11-04
公开(公告)日
2006-09-20
当前申请(专利权)人
有限会社エスアールジェイ | フジノン株式会社
发明人
関口 正 | 藤倉 哲也 | 則信 知哉
简单同族
CN100361621C | CN101103898A | CN101103898B | CN1636502A | EP1547641A2 | EP1547641A3 | EP1547641B1 | JP2005205181A | JP3823321B2 | US20050159702A1
简单同族成员数量
10
简单同族被引用专利总数
98
诉讼案件数
0
法律状态/事件
授权 | 权利转移
抱歉,您的浏览器不支持PDF预览,请点击链接下载PDF文件