专利数据库
统计分析
产业报告
专利数据监控
产业人才
行业动态
产业政策法规
维权援助
个人中心
详情
文本
图像
标题
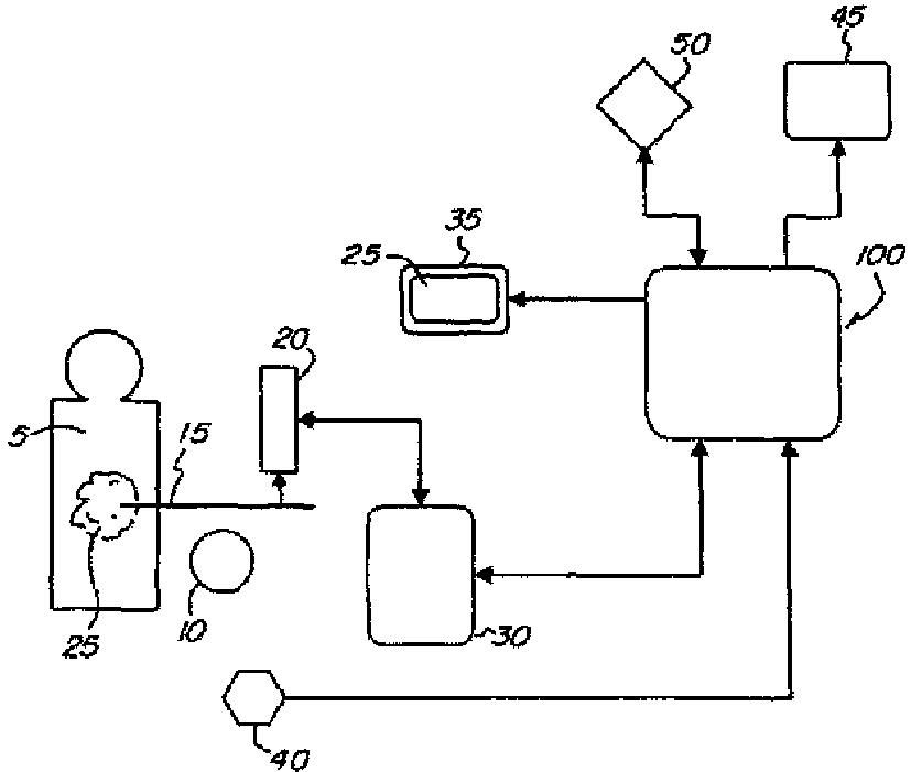
映像記録·画像キャプチャ装置
授权日
1900-01-01
公开(公告)号
JP2005538779A
申请日
2003-09-15
公开(公告)日
2005-12-22
当前申请(专利权)人
カール ストルツ イメージング インコーポレイテッド
发明人
ブルース·エル·ケネディ
简单同族
AU2003274984A1 | CA2498578A1 | CA2498578C | CA2752536A1 | CA2752536C | CA2752652A1 | CA2752652C | EP1550311A1 | EP1550311A4 | EP1550311B1 | JP2005538779A | JP2009081857A | JP2012142949A | JP5613693B2 | US20040133072A1 | US20060015008A1 | US20060050144A1 | US8992418 | US9936862 | WO2004025963A1 | WO2004025963A9
简单同族成员数量
21
简单同族被引用专利总数
113
诉讼案件数
0
法律状态/事件
驳回
抱歉,您的浏览器不支持PDF预览,请点击链接下载PDF文件