专利数据库
统计分析
产业报告
专利数据监控
产业人才
行业动态
产业政策法规
维权援助
个人中心
详情
文本
图像
标题
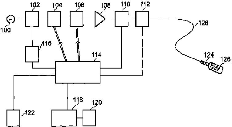
食道治療装置
授权日
1900-01-01
公开(公告)号
JP2010505572A
申请日
2007-10-10
公开(公告)日
2010-02-25
当前申请(专利权)人
メディカル·デバイス·イノベーションズ·リミテッド
发明人
ハンコック,クリストファー·ポール | ホワイト,マルコルム | ウォール,ピーター
简单同族
CA2700237A1 | CN101553181A | CN101553181B | EP2068741A1 | EP2068741B1 | ES2393641T3 | GB0620061D0 | JP2010505572A | JP5430400B2 | US20100168727A1 | WO2008044012A1
简单同族成员数量
11
简单同族被引用专利总数
47
诉讼案件数
0
法律状态/事件
未缴年费
抱歉,您的浏览器不支持PDF预览,请点击链接下载PDF文件