专利数据库
统计分析
产业报告
专利数据监控
产业人才
行业动态
产业政策法规
维权援助
个人中心
详情
文本
图像
标题
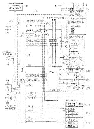
電動湾曲制御装置
授权日
1900-01-01
公开(公告)号
JP2006055348A
申请日
2004-08-19
公开(公告)日
2006-03-02
当前申请(专利权)人
オリンパス株式会社
发明人
河合 利昌 | 小林 英一 | 本多 武道 | 木許 誠一郎
简单同族
CN100581439C | CN101005792A | EP1787573A1 | EP1787573A4 | EP1787573B1 | JP2006055348A | US20070161861A1 | US20110270036A1 | US7981028 | US8708895 | WO2006019137A1
简单同族成员数量
11
简单同族被引用专利总数
24
诉讼案件数
0
法律状态/事件
驳回
抱歉,您的浏览器不支持PDF预览,请点击链接下载PDF文件