专利数据库
统计分析
产业报告
专利数据监控
产业人才
行业动态
产业政策法规
维权援助
个人中心
详情
文本
图像
标题
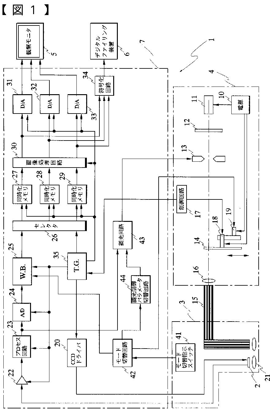
内視鏡装置
授权日
2007-06-01
公开(公告)号
JP3965174B2
申请日
2004-09-02
公开(公告)日
2007-08-29
当前申请(专利权)人
オリンパス株式会社
发明人
後野 和弘 | 山▲崎▼ 健二 | 大島 睦巳 | 天野 正一
简单同族
JP2006068321A | JP3965174B2
简单同族成员数量
2
简单同族被引用专利总数
26
诉讼案件数
0
法律状态/事件
授权 | 权利转移
抱歉,您的浏览器不支持PDF预览,请点击链接下载PDF文件