专利数据库
统计分析
产业报告
专利数据监控
产业人才
行业动态
产业政策法规
维权援助
个人中心
详情
文本
图像
标题
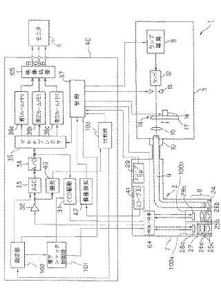
内視鏡装置
授权日
1900-01-01
公开(公告)号
JP2009095566A
申请日
2007-10-18
公开(公告)日
2009-05-07
当前申请(专利权)人
オリンパスメディカルシステムズ株式会社
发明人
武井 俊二
简单同族
CN101686798A | CN101686798B | EP2201888A1 | EP2201888A4 | EP2201888B1 | JP2009095566A | JP5372356B2 | US20100204544A1 | WO2009050972A1
简单同族成员数量
9
简单同族被引用专利总数
31
诉讼案件数
0
法律状态/事件
授权 | 权利转移
抱歉,您的浏览器不支持PDF预览,请点击链接下载PDF文件