专利数据库
统计分析
产业报告
专利数据监控
产业人才
行业动态
产业政策法规
维权援助
个人中心
详情
文本
图像
标题
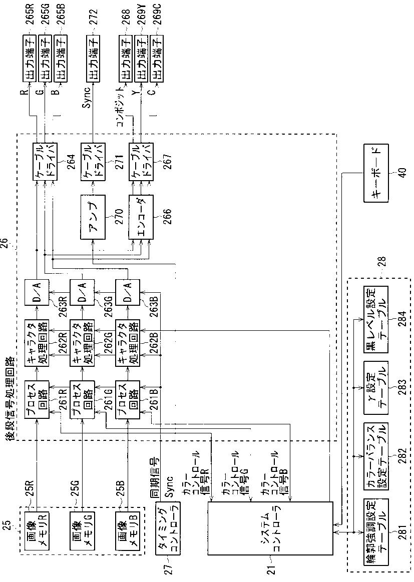
電子内視鏡システム
授权日
2007-05-25
公开(公告)号
JP3961765B2
申请日
2000-12-28
公开(公告)日
2007-08-22
当前申请(专利权)人
ペンタックス株式会社
发明人
竹重 勝 | 小林 弘幸
简单同族
DE10164297A1 | DE10164297B4 | JP2002200038A | JP3961765B2 | US20020085091A1 | US6778208
简单同族成员数量
6
简单同族被引用专利总数
93
诉讼案件数
0
法律状态/事件
未缴年费
抱歉,您的浏览器不支持PDF预览,请点击链接下载PDF文件