专利数据库
统计分析
产业报告
专利数据监控
产业人才
行业动态
产业政策法规
维权援助
个人中心
详情
文本
图像
标题
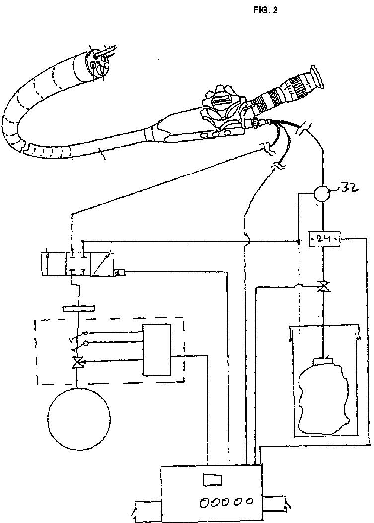
内視鏡手術システムおよび外科用機器
授权日
2010-07-16
公开(公告)号
JP4551400B2
申请日
2004-07-21
公开(公告)日
2010-09-29
当前申请(专利权)人
エルベ エレクトロメディツィン ゲーエムベーハー
发明人
ガイセルハルト、フランツ
简单同族
CN100475126C | CN1819792A | DE10334562A1 | DE10334562B4 | EP1651098A1 | EP1651098B1 | JP2007500021A | JP4551400B2 | US20060122586A1 | US20110112367A1 | US7892223 | US8997751 | WO2005011483A1
简单同族成员数量
13
简单同族被引用专利总数
33
诉讼案件数
0
法律状态/事件
授权
抱歉,您的浏览器不支持PDF预览,请点击链接下载PDF文件