专利数据库
统计分析
产业报告
专利数据监控
产业人才
行业动态
产业政策法规
维权援助
个人中心
详情
文本
图像
标题
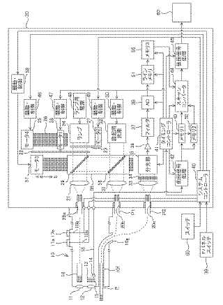
蛍光観察装置及び光源装置
授权日
1900-01-01
公开(公告)号
JP2007014633A
申请日
2005-07-08
公开(公告)日
2007-01-25
当前申请(专利权)人
HOYA株式会社
发明人
杉本 秀夫
简单同族
JP2007014633A | JP4731225B2
简单同族成员数量
2
简单同族被引用专利总数
21
诉讼案件数
0
法律状态/事件
授权 | 权利转移
抱歉,您的浏览器不支持PDF预览,请点击链接下载PDF文件