专利数据库
统计分析
产业报告
专利数据监控
产业人才
行业动态
产业政策法规
维权援助
个人中心
详情
文本
图像
标题
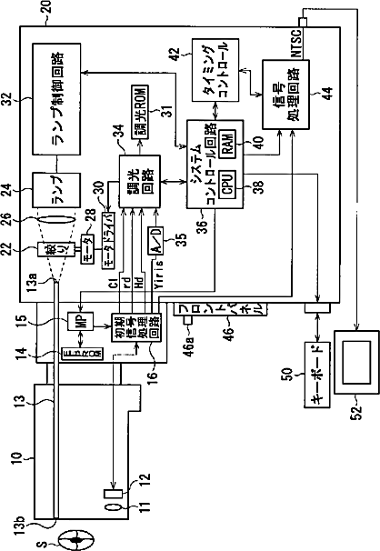
内視鏡用自動調光装置およびそれを含む電子内視鏡装置のプロセッサ
授权日
1900-01-01
公开(公告)号
JP2002263064A
申请日
2001-03-07
公开(公告)日
2002-09-17
当前申请(专利权)人
旭光学工業株式会社
发明人
入山 兼一 | 日比 春彦 | 飯田 充
简单同族
JP2002263064A
简单同族成员数量
1
简单同族被引用专利总数
23
诉讼案件数
0
法律状态/事件
撤回 | 权利转移
抱歉,您的浏览器不支持PDF预览,请点击链接下载PDF文件