专利数据库
统计分析
产业报告
专利数据监控
产业人才
行业动态
产业政策法规
维权援助
个人中心
详情
文本
图像
标题
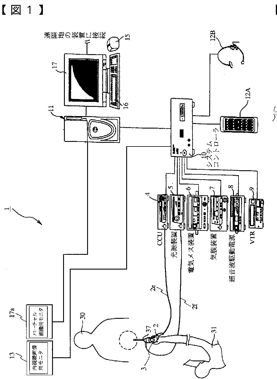
手技支援システム
授权日
2011-03-11
公开(公告)号
JP4698966B2
申请日
2004-03-29
公开(公告)日
2011-06-08
当前申请(专利权)人
オリンパス株式会社
发明人
尾崎 孝史 | 内久保 明伸 | 田代 浩一 | 中村 剛明
简单同族
JP2005278888A | JP4698966B2 | US20050215854A1 | US7940967
简单同族成员数量
4
简单同族被引用专利总数
79
诉讼案件数
0
法律状态/事件
授权 | 权利转移
抱歉,您的浏览器不支持PDF预览,请点击链接下载PDF文件