专利数据库
统计分析
产业报告
专利数据监控
产业人才
行业动态
产业政策法规
维权援助
个人中心
详情
文本
图像
标题
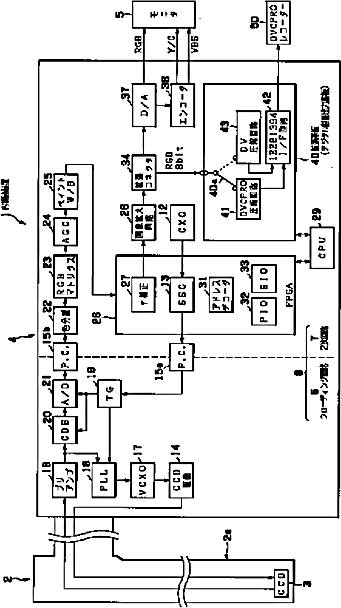
内視鏡装置
授权日
1900-01-01
公开(公告)号
JP2002224029A
申请日
2001-02-07
公开(公告)日
2002-08-13
当前申请(专利权)人
オリンパス光学工業株式会社
发明人
田代 秀樹 | 草村 登 | 小笠原 弘太郎 | 綱川 誠 | 望田 明彦 | 斉藤 克行
简单同族
JP2002224029A
简单同族成员数量
1
简单同族被引用专利总数
0
诉讼案件数
0
法律状态/事件
撤回
抱歉,您的浏览器不支持PDF预览,请点击链接下载PDF文件