专利数据库
统计分析
产业报告
专利数据监控
产业人才
行业动态
产业政策法规
维权援助
个人中心
详情
文本
图像
标题
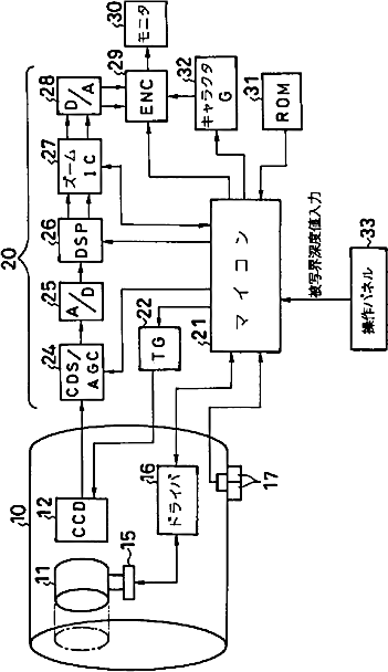
変倍機能を有する電子内視鏡装置
授权日
1900-01-01
公开(公告)号
JP2002277756A
申请日
2001-03-16
公开(公告)日
2002-09-25
当前申请(专利权)人
富士フイルム株式会社
发明人
南 逸司
简单同族
JP2002277756A | JP4643044B2 | US20020133059A1 | US6685631
简单同族成员数量
4
简单同族被引用专利总数
65
诉讼案件数
0
法律状态/事件
未缴年费 | 权利转移
抱歉,您的浏览器不支持PDF预览,请点击链接下载PDF文件