专利数据库
统计分析
产业报告
专利数据监控
产业人才
行业动态
产业政策法规
维权援助
个人中心
详情
文本
图像
标题
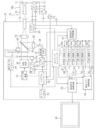
電子内視鏡システム
授权日
1900-01-01
公开(公告)号
JP2006314680A
申请日
2005-05-16
公开(公告)日
2006-11-24
当前申请(专利权)人
HOYA株式会社
发明人
池谷 浩平 | 福山 三文
简单同族
DE102006022847A1 | JP2006314680A | JP4723281B2 | US20060256191A1 | US7766818
简单同族成员数量
5
简单同族被引用专利总数
86
诉讼案件数
0
法律状态/事件
授权 | 权利转移
抱歉,您的浏览器不支持PDF预览,请点击链接下载PDF文件