专利数据库
统计分析
产业报告
专利数据监控
产业人才
行业动态
产业政策法规
维权援助
个人中心
详情
文本
图像
标题
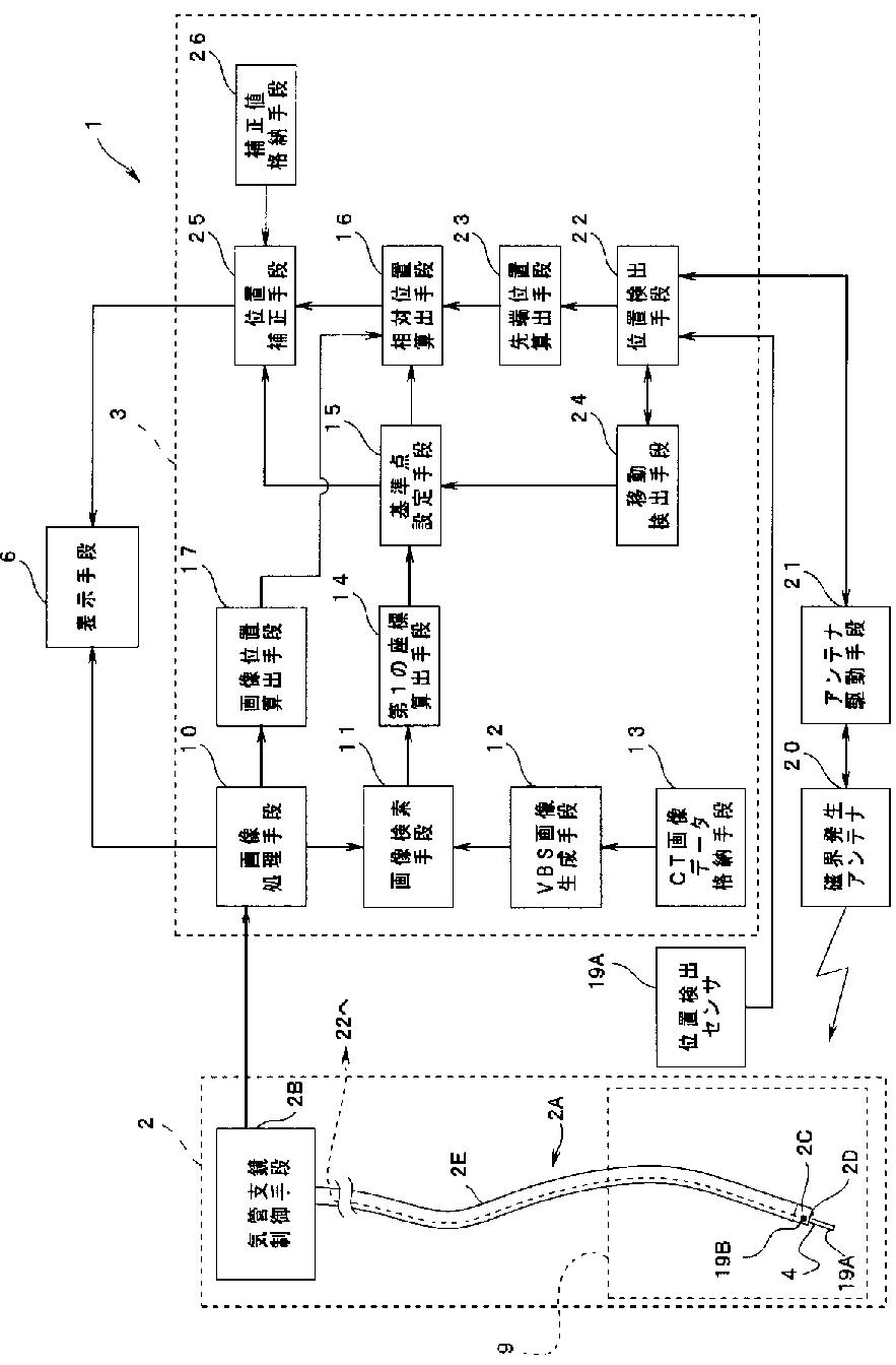
医療機器
授权日
2013-09-27
公开(公告)号
JP5372407B2
申请日
2008-05-23
公开(公告)日
2013-12-18
当前申请(专利权)人
オリンパスメディカルシステムズ株式会社
发明人
伊藤 誠一 | 秋本 俊也 | 大西 順一 | 長谷川 潤
简单同族
EP2123216A1 | EP2123216B1 | JP2009279250A | JP5372407B2 | US20090292166A1 | US8298135
简单同族成员数量
6
简单同族被引用专利总数
110
诉讼案件数
0
法律状态/事件
授权 | 权利转移
抱歉,您的浏览器不支持PDF预览,请点击链接下载PDF文件