专利数据库
统计分析
产业报告
专利数据监控
产业人才
行业动态
产业政策法规
维权援助
个人中心
详情
文本
图像
标题
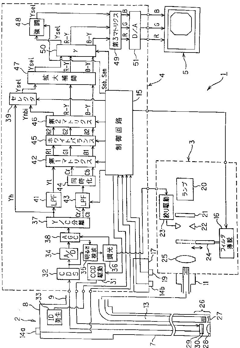
内視鏡用画像処理装置
授权日
1900-01-01
公开(公告)号
JP2007300972A
申请日
2006-05-08
公开(公告)日
2007-11-22
当前申请(专利权)人
オリンパスメディカルシステムズ株式会社
发明人
山▲崎▼ 健二
简单同族
BRPI0711382A2 | CN101437438A | CN101437438B | EP2016884A1 | EP2016884A4 | EP2016884B1 | JP2007300972A | JP5355846B2 | KR101050887B1 | KR1020080111121A | US20090066787A1 | US8237783 | WO2007129570A1
简单同族成员数量
13
简单同族被引用专利总数
58
诉讼案件数
0
法律状态/事件
授权 | 权利转移
抱歉,您的浏览器不支持PDF预览,请点击链接下载PDF文件