专利数据库
统计分析
产业报告
专利数据监控
产业人才
行业动态
产业政策法规
维权援助
个人中心
详情
文本
图像
标题
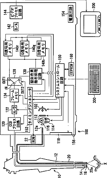
電子内視鏡装置
授权日
1900-01-01
公开(公告)号
JP2003000536A
申请日
2001-06-26
公开(公告)日
2003-01-07
当前申请(专利权)人
ペンタックス株式会社
发明人
小澤 了 | 君島 幹人
简单同族
JP2003000536A | JP2003000536A5 | US20030030722A1 | US6967673
简单同族成员数量
4
简单同族被引用专利总数
113
诉讼案件数
0
法律状态/事件
驳回 | 权利转移
抱歉,您的浏览器不支持PDF预览,请点击链接下载PDF文件