专利数据库
统计分析
产业报告
专利数据监控
产业人才
行业动态
产业政策法规
维权援助
个人中心
详情
文本
图像
标题
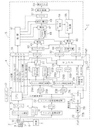
内視鏡用信号処理装置
授权日
1900-01-01
公开(公告)号
JP2006043207A
申请日
2004-08-05
公开(公告)日
2006-02-16
当前申请(专利权)人
オリンパス株式会社
发明人
小西 純 | 天野 正一 | 平井 力 | 中川 雄大 | 岩崎 智樹 | 斉藤 克行 | 綱川 誠 | 長谷 憲多朗
简单同族
CN100508873C | CN1993078A | DE602005016428D1 | EP1779766A1 | EP1779766A4 | EP1779766B1 | JP2006043207A | JP3938774B2 | US20070139522A1 | US8189041 | WO2006013795A1
简单同族成员数量
11
简单同族被引用专利总数
59
诉讼案件数
0
法律状态/事件
授权 | 权利转移
抱歉,您的浏览器不支持PDF预览,请点击链接下载PDF文件