专利数据库
统计分析
产业报告
专利数据监控
产业人才
行业动态
产业政策法规
维权援助
个人中心
详情
文本
图像
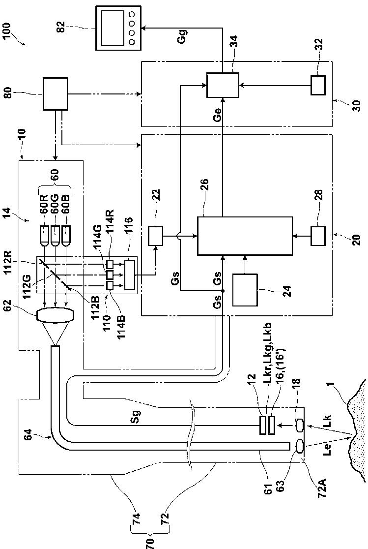
标题
電子内視鏡装置
授权日
1900-01-01
公开(公告)号
JP2007097709A
申请日
2005-09-30
公开(公告)日
2007-04-19
当前申请(专利权)人
富士フイルム株式会社
发明人
綾目 大輔 | 竹内 信次
简单同族
EP1769724A2 | EP1769724A3 | EP1769724B1 | JP2007097709A | JP4727374B2 | US20070078299A1 | US7729751
简单同族成员数量
7
简单同族被引用专利总数
31
诉讼案件数
0
法律状态/事件
未缴年费 | 权利转移
抱歉,您的浏览器不支持PDF预览,请点击链接下载PDF文件