专利数据库
统计分析
产业报告
专利数据监控
产业人才
行业动态
产业政策法规
维权援助
个人中心
详情
文本
图像
标题
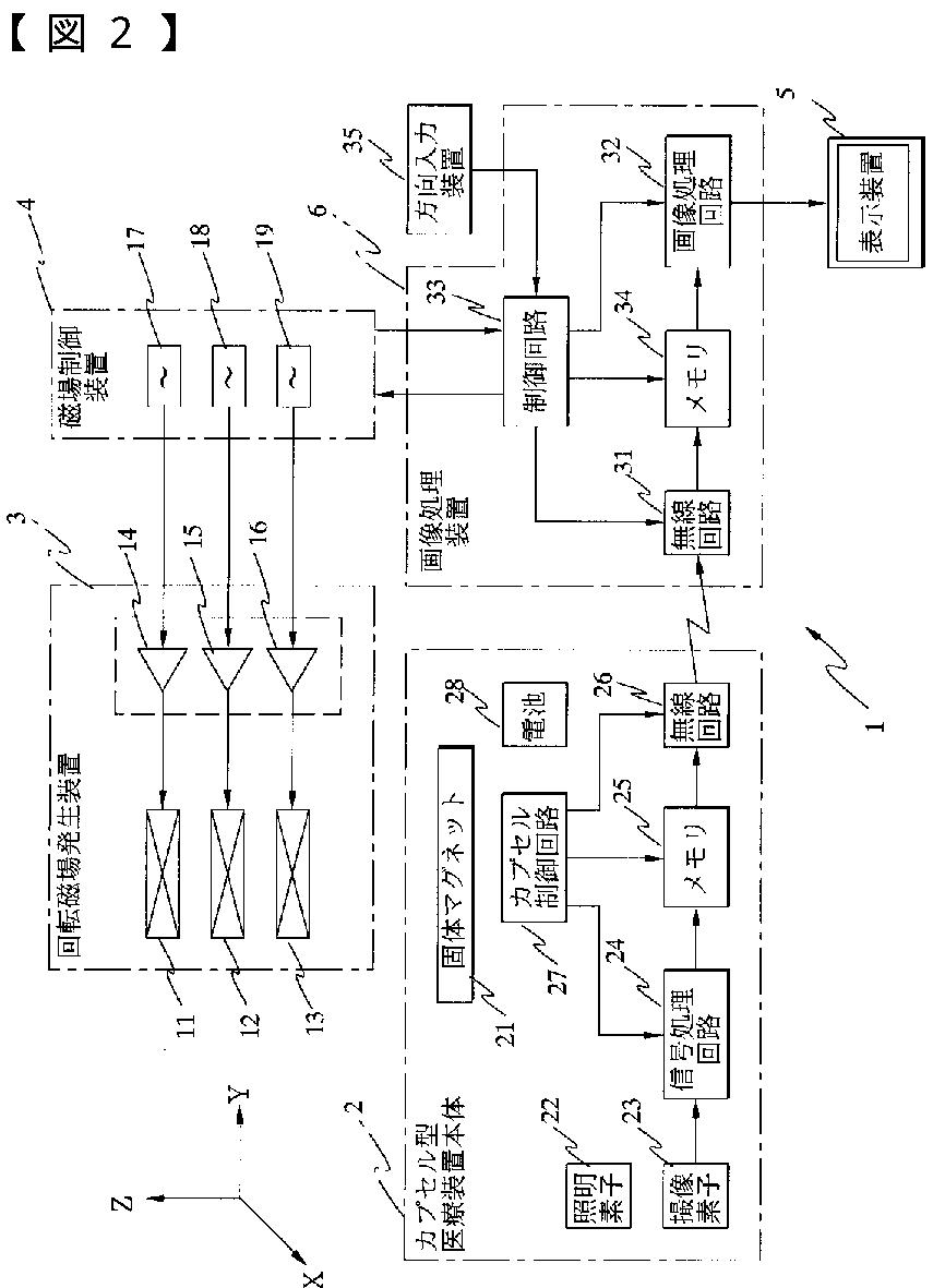
カプセル内視鏡システム
授权日
2007-02-16
公开(公告)号
JP3917885B2
申请日
2002-04-08
公开(公告)日
2007-05-23
当前申请(专利权)人
オリンパス株式会社
发明人
内山 昭夫 | 瀧澤 寛伸 | 横井 武司 | 水野 均
简单同族
JP2003299612A | JP2003299612A5 | JP3917885B2 | US20030229268A1 | US20060270903A1 | US20070197869A1 | US20070197870A1 | US20070197872A1 | US20110319715A1 | US20130217966A1 | US7122001 | US7905827 | US8033989 | US8062210 | US8419629 | US8753265
简单同族成员数量
16
简单同族被引用专利总数
283
诉讼案件数
0
法律状态/事件
未缴年费 | 权利转移
抱歉,您的浏览器不支持PDF预览,请点击链接下载PDF文件