专利数据库
统计分析
产业报告
专利数据监控
产业人才
行业动态
产业政策法规
维权援助
个人中心
详情
文本
图像
标题
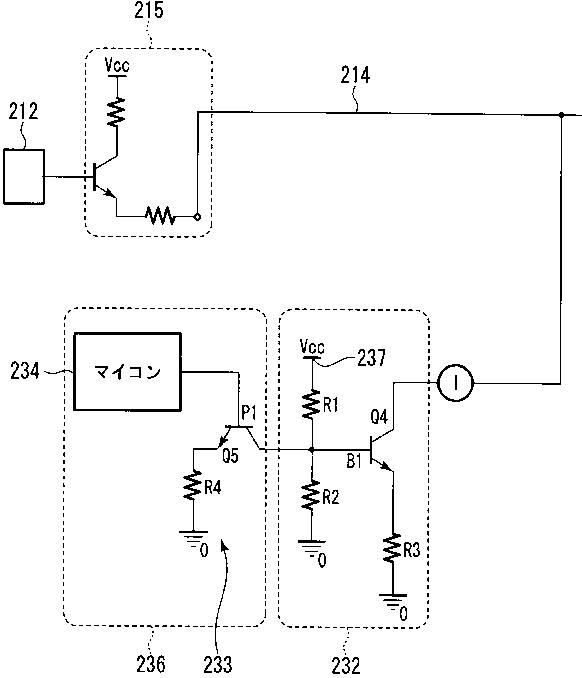
内視鏡装置
授权日
1900-01-01
公开(公告)号
JP2008259602A
申请日
2007-04-11
公开(公告)日
2008-10-30
当前申请(专利权)人
HOYA株式会社
发明人
入山 典子 | 青柳 悟 | 田中 千成 | 谷 信博
简单同族
JP2008259602A
简单同族成员数量
1
简单同族被引用专利总数
0
诉讼案件数
0
法律状态/事件
撤回 | 权利转移
抱歉,您的浏览器不支持PDF预览,请点击链接下载PDF文件