专利数据库
统计分析
产业报告
专利数据监控
产业人才
行业动态
产业政策法规
维权援助
个人中心
详情
文本
图像
标题
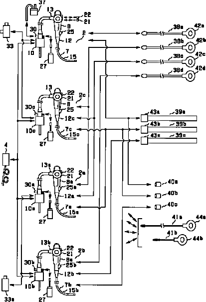
内視鏡装置
授权日
1900-01-01
公开(公告)号
JP2002017652A
申请日
2000-06-30
公开(公告)日
2002-01-22
当前申请(专利权)人
オリンパス光学工業株式会社
发明人
森山 宏樹
简单同族
JP2002017652A | JP2002017652A5 | US20020013510A1 | US6679835
简单同族成员数量
4
简单同族被引用专利总数
48
诉讼案件数
0
法律状态/事件
驳回
抱歉,您的浏览器不支持PDF预览,请点击链接下载PDF文件