专利数据库
统计分析
产业报告
专利数据监控
产业人才
行业动态
产业政策法规
维权援助
个人中心
详情
文本
图像
标题
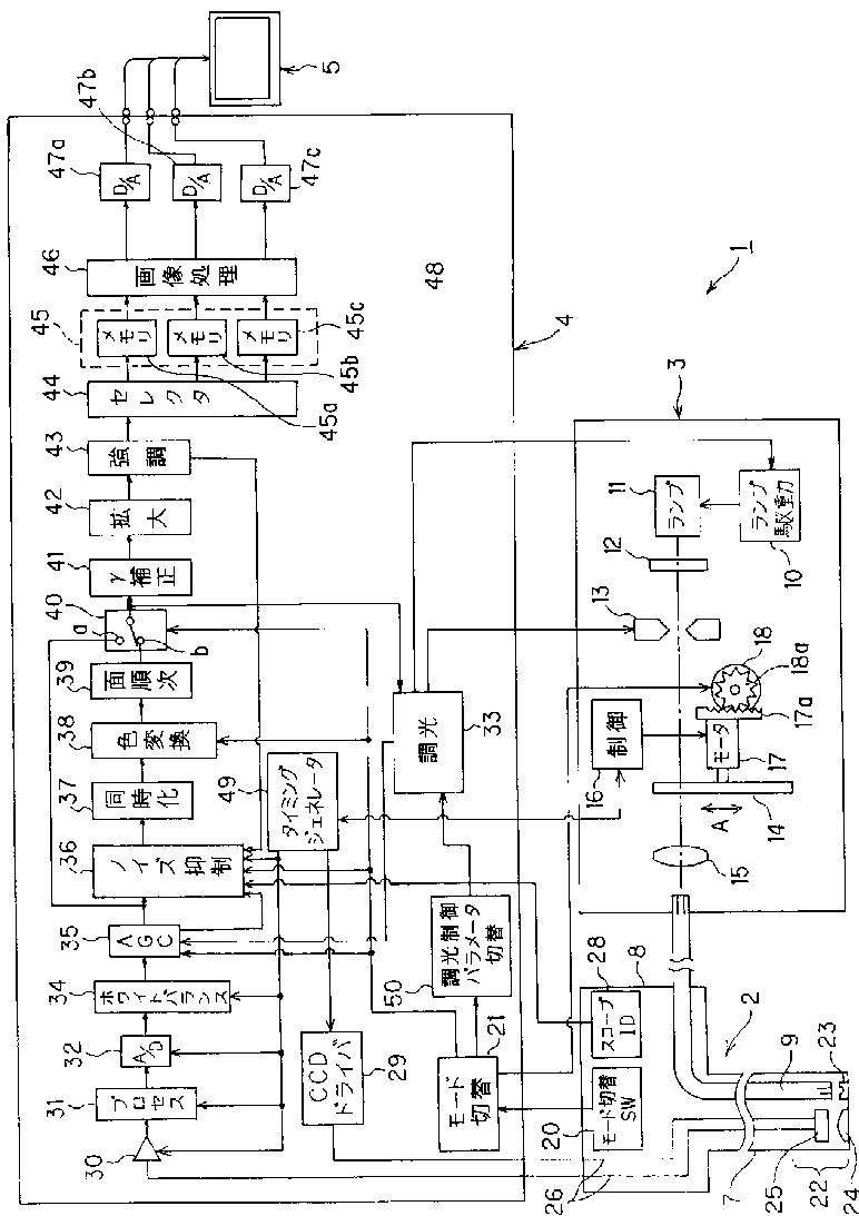
内視鏡装置
授权日
1900-01-01
公开(公告)号
JP2007236416A
申请日
2006-03-03
公开(公告)日
2007-09-20
当前申请(专利权)人
オリンパスメディカルシステムズ株式会社
发明人
山▲崎▼ 健二
简单同族
BRPI0621441A2 | CN101336088A | CN101336088B | EP1992275A1 | EP1992275A4 | JP2007236416A | JP5214853B2 | KR101015006B1 | KR1020080094089A | US20080306343A1 | US8480571 | WO2007099680A1
简单同族成员数量
12
简单同族被引用专利总数
40
诉讼案件数
0
法律状态/事件
授权 | 权利转移
抱歉,您的浏览器不支持PDF预览,请点击链接下载PDF文件