专利数据库
统计分析
产业报告
专利数据监控
产业人才
行业动态
产业政策法规
维权援助
个人中心
详情
文本
图像
标题
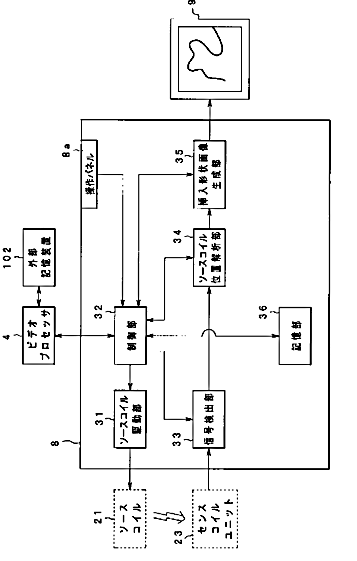
内視鏡挿入形状検出装置
授权日
1900-01-01
公开(公告)号
JP2007330348A
申请日
2006-06-12
公开(公告)日
2007-12-27
当前申请(专利权)人
オリンパスメディカルシステムズ株式会社
发明人
織田 朋彦
简单同族
CN100548206C | CN101088452A | EP1867271A1 | EP1867271B1 | JP2007330348A | JP4153963B2 | US20080009714A1 | US8257247
简单同族成员数量
8
简单同族被引用专利总数
40
诉讼案件数
0
法律状态/事件
未缴年费 | 权利转移
抱歉,您的浏览器不支持PDF预览,请点击链接下载PDF文件