专利数据库
统计分析
产业报告
专利数据监控
产业人才
行业动态
产业政策法规
维权援助
个人中心
详情
文本
图像
标题
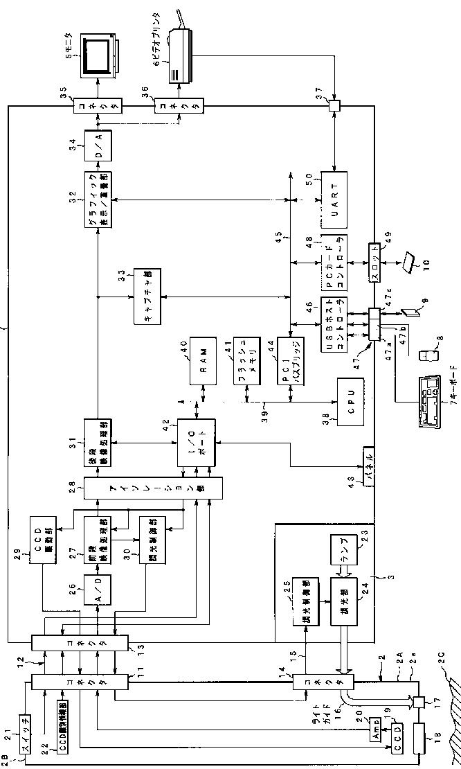
内視鏡装置
授权日
1900-01-01
公开(公告)号
JP2006218233A
申请日
2005-02-14
公开(公告)日
2006-08-24
当前申请(专利权)人
オリンパス株式会社
发明人
中川 雄大 | 岩崎 智樹 | 平井 力 | 斉藤 克行 | 橋本 進
简单同族
CN100473330C | CN1820698A | CN200939124Y | EP1849401A1 | EP1849401A4 | EP1849401B1 | JP2006218233A | JP2006218233A5 | US20090303316A1 | US8537209 | WO2006085415A1
简单同族成员数量
11
简单同族被引用专利总数
50
诉讼案件数
0
法律状态/事件
驳回
抱歉,您的浏览器不支持PDF预览,请点击链接下载PDF文件