专利数据库
统计分析
产业报告
专利数据监控
产业人才
行业动态
产业政策法规
维权援助
个人中心
详情
文本
图像
标题
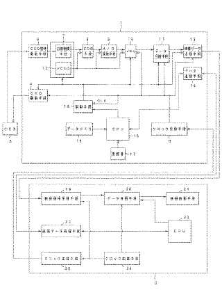
電子内視鏡装置、電子内視鏡及び電子内視鏡用プロセッサ
授权日
1900-01-01
公开(公告)号
JP2006288753A
申请日
2005-04-11
公开(公告)日
2006-10-26
当前申请(专利权)人
オリンパスメディカルシステムズ株式会社
发明人
柳沢 聡志
简单同族
JP2006288753A | JP2006288753A5 | JP4709573B2
简单同族成员数量
3
简单同族被引用专利总数
30
诉讼案件数
0
法律状态/事件
未缴年费 | 权利转移
抱歉,您的浏览器不支持PDF预览,请点击链接下载PDF文件