专利数据库
统计分析
产业报告
专利数据监控
产业人才
行业动态
产业政策法规
维权援助
个人中心
详情
文本
图像
标题
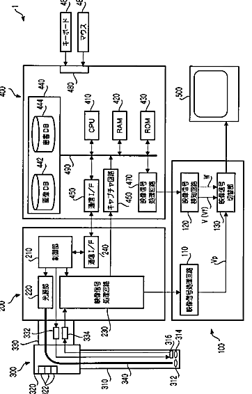
内視鏡システム、内視鏡画像情報処理装置、及び内視鏡映像信号切替装置
授权日
1900-01-01
公开(公告)号
JP2011087827A
申请日
2009-10-23
公开(公告)日
2011-05-06
当前申请(专利权)人
HOYA株式会社
发明人
片岡 可奈 | 菅原 基棋
简单同族
JP2011087827A
简单同族成员数量
1
简单同族被引用专利总数
0
诉讼案件数
0
法律状态/事件
撤回
抱歉,您的浏览器不支持PDF预览,请点击链接下载PDF文件