专利数据库
统计分析
产业报告
专利数据监控
产业人才
行业动态
产业政策法规
维权援助
个人中心
详情
文本
图像
标题
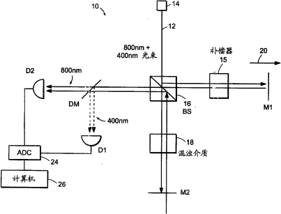
相散层析成像
授权日
2007-02-28
公开(公告)号
CN1302278C
申请日
2001-06-08
公开(公告)日
2007-02-28
当前申请(专利权)人
麻省理工学院
发明人
杨昌辉 | 亚当·沃克斯 | 迈克尔·S·费尔德
简单同族
AT313786T | AU2001275449A1 | CA2408436A1 | CN1302278C | CN1449490A | DE60116104D1 | DE60116104T2 | EP1305601A2 | EP1305601B1 | JP2004510132A | US6611339 | WO2001094913A2 | WO2001094913A3
简单同族成员数量
13
简单同族被引用专利总数
53
诉讼案件数
0
法律状态/事件
未缴年费
抱歉,您的浏览器不支持PDF预览,请点击链接下载PDF文件