专利数据库
统计分析
产业报告
专利数据监控
产业人才
行业动态
产业政策法规
维权援助
个人中心
详情
文本
图像
标题
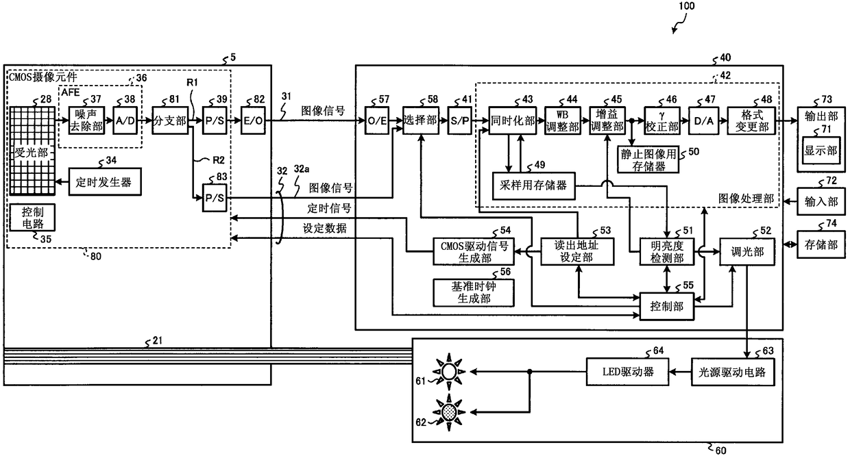
摄像装置
授权日
1900-01-01
公开(公告)号
CN103079454A
申请日
2011-10-07
公开(公告)日
2013-05-01
当前申请(专利权)人
奥林巴斯株式会社
发明人
松泽洋彦 | 大野涉 | 桥本秀范
简单同族
CN103079454A | CN103079454B | EP2626002A1 | EP2626002A4 | JP5155496B2 | JPWO2012046856A1 | US20130096380A1 | US8764634 | WO2012046856A1
简单同族成员数量
9
简单同族被引用专利总数
71
诉讼案件数
0
法律状态/事件
授权 | 权利转移
抱歉,您的浏览器不支持PDF预览,请点击链接下载PDF文件