专利数据库
统计分析
产业报告
专利数据监控
产业人才
行业动态
产业政策法规
维权援助
个人中心
详情
文本
图像
标题
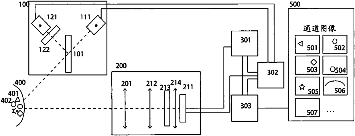
用于多光谱成像的方法和部件
授权日
1900-01-01
公开(公告)号
CN106999021A
申请日
2015-06-03
公开(公告)日
2017-08-01
当前申请(专利权)人
海德堡大学
发明人
尼古拉斯·迪米特里亚迪斯 | 尼古劳斯·德里奥拉尼斯
简单同族
CA2951075A1 | CA2951086A1 | CN106572792A | CN106572792B | CN106999021A | EP3152548A1 | EP3152549A2 | JP2017526899A | JP2017529514A | JP6696912B2 | US10481095 | US10684224 | US20170167980A1 | US20170176336A1 | WO2015185661A1 | WO2015185662A2 | WO2015185662A3
简单同族成员数量
17
简单同族被引用专利总数
21
诉讼案件数
0
法律状态/事件
实质审查
抱歉,您的浏览器不支持PDF预览,请点击链接下载PDF文件