专利数据库
统计分析
产业报告
专利数据监控
产业人才
行业动态
产业政策法规
维权援助
个人中心
详情
文本
图像
标题
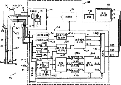
生物体观测装置
授权日
1900-01-01
公开(公告)号
CN101175433A
申请日
2006-03-14
公开(公告)日
2008-05-07
当前申请(专利权)人
奥林巴斯株式会社
发明人
后野和弘 | 天野正一 | 高桥智也 | 大岛睦巳
简单同族
CN100591262C | CN101175433A | JP2006314557A
简单同族成员数量
3
简单同族被引用专利总数
52
诉讼案件数
0
法律状态/事件
未缴年费 | 权利转移
抱歉,您的浏览器不支持PDF预览,请点击链接下载PDF文件