专利数据库
统计分析
产业报告
专利数据监控
产业人才
行业动态
产业政策法规
维权援助
个人中心
详情
文本
图像
标题
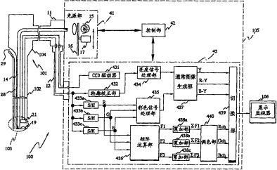
用于生物体观测装置的信号处理装置
授权日
1900-01-01
公开(公告)号
CN101163438A
申请日
2006-03-07
公开(公告)日
2008-04-16
当前申请(专利权)人
奥林巴斯株式会社
发明人
后野和弘 | 天野正一 | 高桥智也 | 大岛睦巳
简单同族
AU2006245247A1 | AU2006245247B2 | BRPI0608982A2 | BRPI0608982A8 | CA2608294A1 | CA2608294C | CN101163438A | CN101163438B | EP1880658A1 | EP1880658A4 | EP1880658B1 | EP1880658B9 | KR100953773B1 | KR1020080007582A | US20090058999A1 | US8279275 | WO2006120794A1
简单同族成员数量
17
简单同族被引用专利总数
101
诉讼案件数
0
法律状态/事件
未缴年费 | 权利转移
抱歉,您的浏览器不支持PDF预览,请点击链接下载PDF文件