专利数据库
统计分析
产业报告
专利数据监控
产业人才
行业动态
产业政策法规
维权援助
个人中心
详情
文本
图像
标题
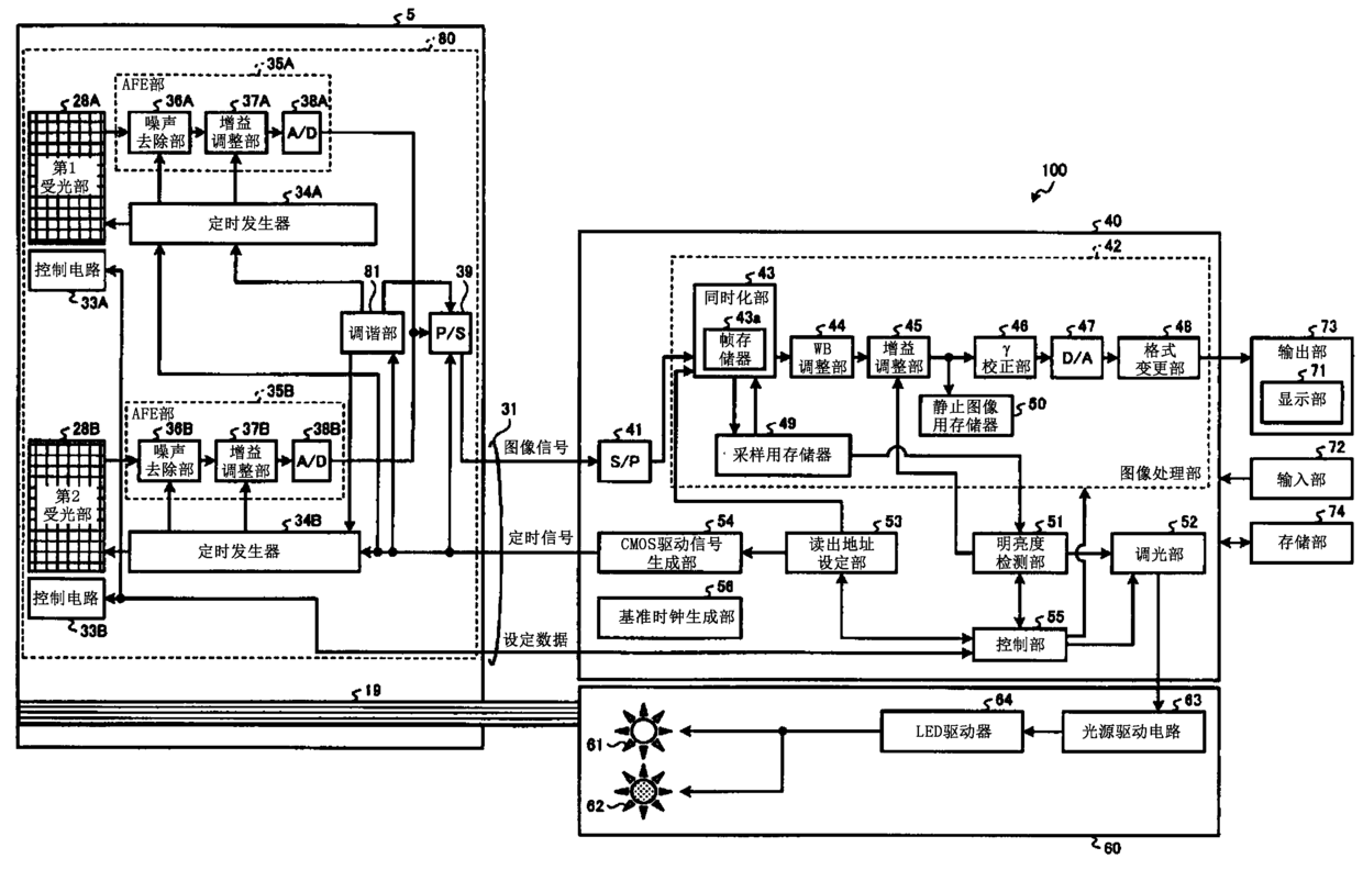
摄像装置
授权日
2016-01-20
公开(公告)号
CN103260499B
申请日
2012-08-09
公开(公告)日
2016-01-20
当前申请(专利权)人
奥林巴斯株式会社
发明人
大野涉
简单同族
CN103260499A | CN103260499B | EP2636359A1 | EP2636359A4 | EP2636359B1 | JP5245022B1 | JPWO2013024788A1 | US20130208101A1 | US8823789 | WO2013024788A1
简单同族成员数量
10
简单同族被引用专利总数
33
诉讼案件数
0
法律状态/事件
授权 | 权利转移
抱歉,您的浏览器不支持PDF预览,请点击链接下载PDF文件