专利数据库
统计分析
产业报告
专利数据监控
产业人才
行业动态
产业政策法规
维权援助
个人中心
详情
文本
图像
标题
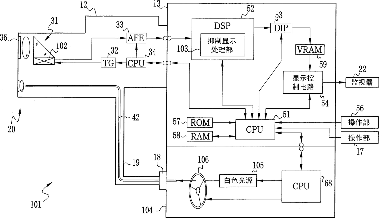
电子内窥镜系统
授权日
2015-07-01
公开(公告)号
CN102613953B
申请日
2011-12-28
公开(公告)日
2015-07-01
当前申请(专利权)人
富士胶片株式会社
发明人
加来俊彦
简单同族
CN102613953A | CN102613953B | JP2012152413A | JP5550574B2
简单同族成员数量
4
简单同族被引用专利总数
23
诉讼案件数
0
法律状态/事件
授权
抱歉,您的浏览器不支持PDF预览,请点击链接下载PDF文件