专利数据库
统计分析
产业报告
专利数据监控
产业人才
行业动态
产业政策法规
维权援助
个人中心
详情
文本
图像
标题
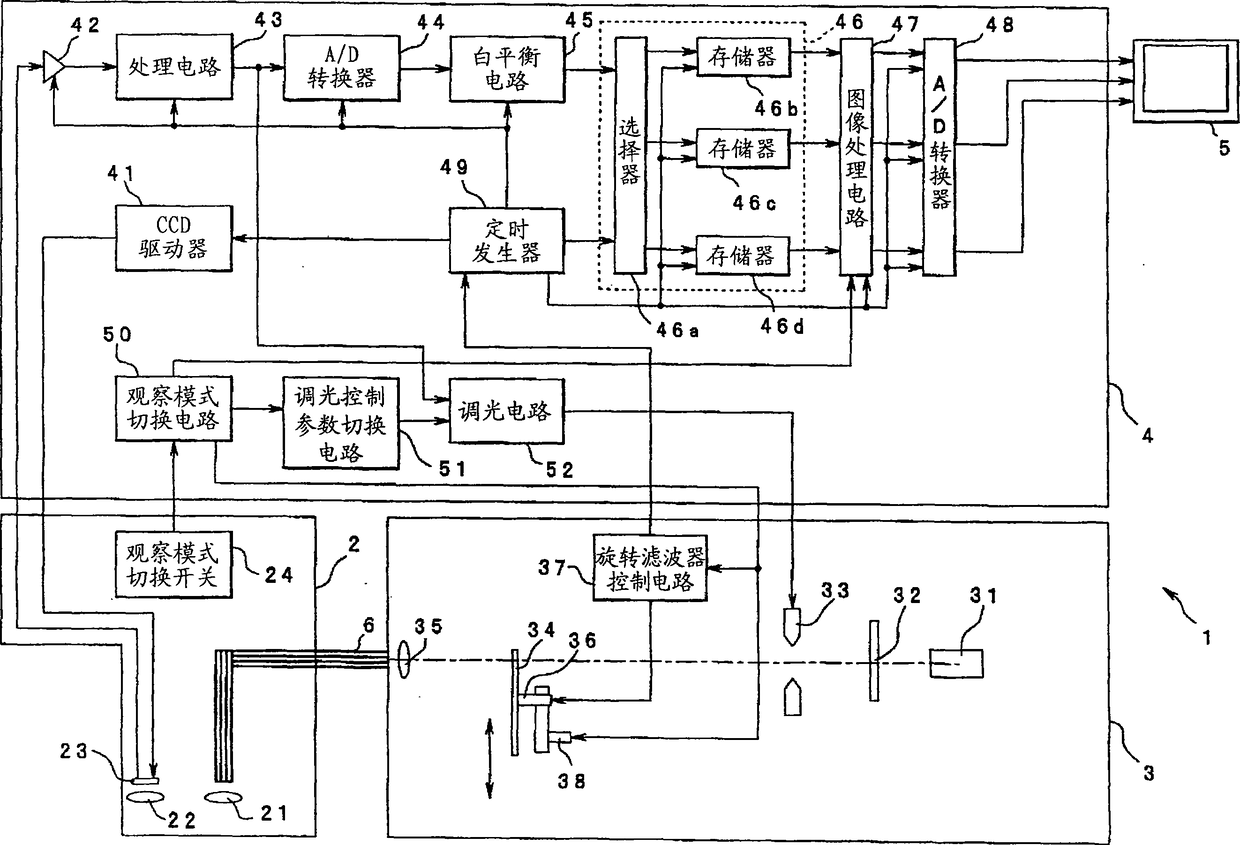
内窥镜装置
授权日
2011-05-18
公开(公告)号
CN101420899B
申请日
2007-03-23
公开(公告)日
2011-05-18
当前申请(专利权)人
奥林巴斯株式会社
发明人
五十岚诚 | 山崎健二
简单同族
BRPI0710154A2 | CN101420899A | CN101420899B | EP2005877A2 | EP2005877A4 | EP2005877A9 | EP2005877B1 | JP4891990B2 | JPWO2007116663A1 | KR101050874B1 | KR1020080104191A | US20090036741A1 | US8979741 | WO2007116663A1
简单同族成员数量
14
简单同族被引用专利总数
59
诉讼案件数
0
法律状态/事件
授权 | 权利转移
抱歉,您的浏览器不支持PDF预览,请点击链接下载PDF文件