专利数据库
统计分析
产业报告
专利数据监控
产业人才
行业动态
产业政策法规
维权援助
个人中心
详情
文本
图像
标题
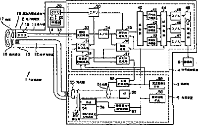
得到适当的调光状态观察图像的内窥镜装置
授权日
1900-01-01
公开(公告)号
CN1572231A
申请日
2004-06-23
公开(公告)日
2005-02-02
当前申请(专利权)人
奥林巴斯株式会社
发明人
道口信行 | 高桥义典 | 大河文行 | 今泉克一 | 小泽刚志 | 平尾勇实 | 竹端荣
简单同族
CN100405967C | CN1572231A | EP1491133A1 | EP1491133B1 | JP2005013279A | JP4343594B2 | US20040257438A1 | US7573499
简单同族成员数量
8
简单同族被引用专利总数
163
诉讼案件数
0
法律状态/事件
授权
抱歉,您的浏览器不支持PDF预览,请点击链接下载PDF文件