专利数据库
统计分析
产业报告
专利数据监控
产业人才
行业动态
产业政策法规
维权援助
个人中心
详情
文本
图像
标题
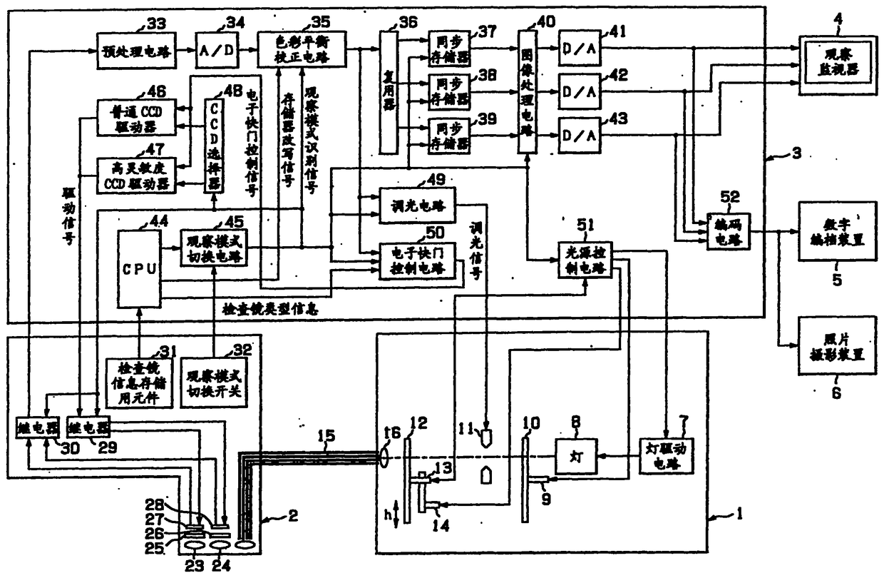
内窥镜装置
授权日
2011-07-13
公开(公告)号
CN1809308B
申请日
2004-06-18
公开(公告)日
2011-07-13
当前申请(专利权)人
奥林巴斯株式会社
发明人
高桥义典 | 平尾勇实 | 今泉克一 | 小泽刚志 | 竹端荣 | 道口信行
简单同族
CN1809308A | CN1809308B | EP1637062A1 | EP1637062A4 | JP2005006974A | JP4009560B2 | US20060155166A1 | WO2004112591A1
简单同族成员数量
8
简单同族被引用专利总数
78
诉讼案件数
0
法律状态/事件
授权
抱歉,您的浏览器不支持PDF预览,请点击链接下载PDF文件