专利数据库
统计分析
产业报告
专利数据监控
产业人才
行业动态
产业政策法规
维权援助
个人中心
详情
文本
图像
标题
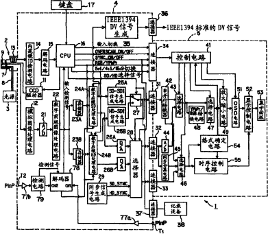
内窥镜装置
授权日
2007-07-25
公开(公告)号
CN2927561Y
申请日
2006-06-06
公开(公告)日
2007-07-25
当前申请(专利权)人
奥林巴斯医疗株式会社
发明人
平井力 | 岩崎智树 | 高桥和正 | 桥本秀范 | 望田明彦 | 齐藤克行 | 纲川诚 | 长谷宪多朗 | 小笠原弘太郎 | 江藤忠夫 | 川村昭人 | 刘忻 | 天野正一 | 小西纯
简单同族
CN100563333C | CN1893643A | CN2927561Y | EP1889564A1 | EP1889564A4 | EP1889564B1 | JP2006334323A | JP4435029B2 | US20090027490A1 | US8587644 | WO2006132154A1
简单同族成员数量
11
简单同族被引用专利总数
29
诉讼案件数
0
法律状态/事件
未缴年费
抱歉,您的浏览器不支持PDF预览,请点击链接下载PDF文件