专利数据库
统计分析
产业报告
专利数据监控
产业人才
行业动态
产业政策法规
维权援助
个人中心
详情
文本
图像
标题
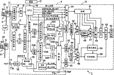
内窥镜用信号处理装置
授权日
2009-07-08
公开(公告)号
CN100508873C
申请日
2005-07-29
公开(公告)日
2009-07-08
当前申请(专利权)人
奥林巴斯株式会社
发明人
小西纯 | 长谷宪多朗 | 平井力 | 天野正一 | 岩崎智树 | 齐藤克行 | 纲川诚 | 中川雄大
简单同族
CN100508873C | CN1993078A | DE602005016428D1 | EP1779766A1 | EP1779766A4 | EP1779766B1 | JP2006043207A | JP3938774B2 | US20070139522A1 | US8189041 | WO2006013795A1
简单同族成员数量
11
简单同族被引用专利总数
59
诉讼案件数
0
法律状态/事件
授权
抱歉,您的浏览器不支持PDF预览,请点击链接下载PDF文件