专利数据库
统计分析
产业报告
专利数据监控
产业人才
行业动态
产业政策法规
维权援助
个人中心
详情
文本
图像
标题
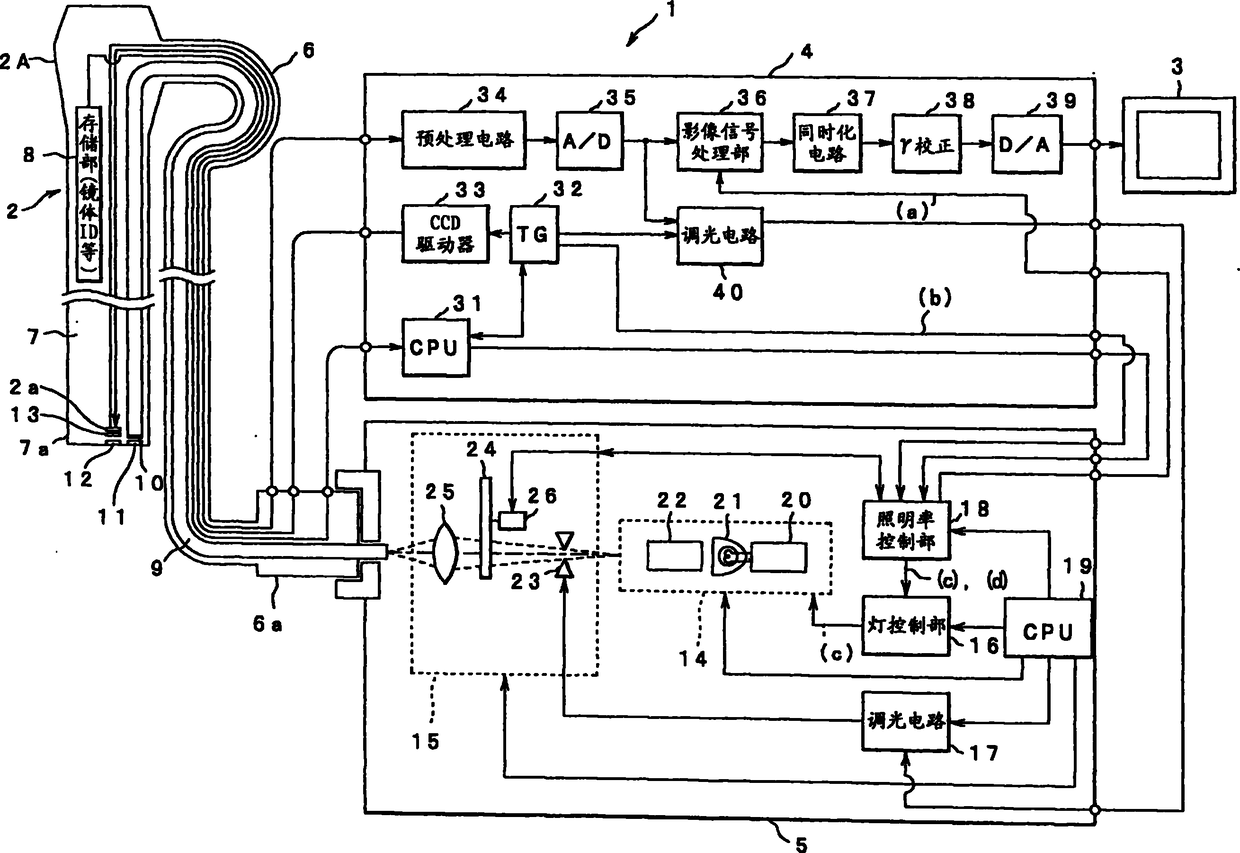
内窥镜装置
授权日
2013-07-10
公开(公告)号
CN101361646B
申请日
2008-08-04
公开(公告)日
2013-07-10
当前申请(专利权)人
奥林巴斯株式会社
发明人
高桥智也
简单同族
CN101361646A | CN101361646B | EP2022388A1 | EP2022388B1 | JP2009039432A | JP5164473B2 | US20090043162A1
简单同族成员数量
7
简单同族被引用专利总数
22
诉讼案件数
0
法律状态/事件
授权 | 权利转移
抱歉,您的浏览器不支持PDF预览,请点击链接下载PDF文件