专利数据库
统计分析
产业报告
专利数据监控
产业人才
行业动态
产业政策法规
维权援助
个人中心
详情
文本
图像
标题
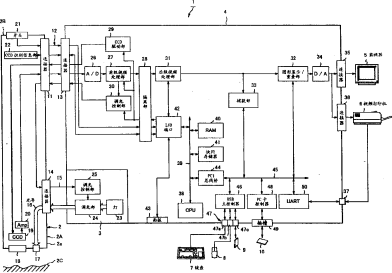
内窥镜装置
授权日
2007-08-29
公开(公告)号
CN200939124Y
申请日
2006-02-14
公开(公告)日
2007-08-29
当前申请(专利权)人
奥林巴斯株式会社
发明人
岩崎智树 | 平井力 | 桥本进 | 齐藤克行 | 中川雄大
简单同族
CN100473330C | CN1820698A | CN200939124Y | EP1849401A1 | EP1849401A4 | EP1849401B1 | JP2006218233A | JP2006218233A5 | US20090303316A1 | US8537209 | WO2006085415A1
简单同族成员数量
11
简单同族被引用专利总数
50
诉讼案件数
0
法律状态/事件
避重授权
抱歉,您的浏览器不支持PDF预览,请点击链接下载PDF文件