专利数据库
统计分析
产业报告
专利数据监控
产业人才
行业动态
产业政策法规
维权援助
个人中心
详情
文本
图像
标题
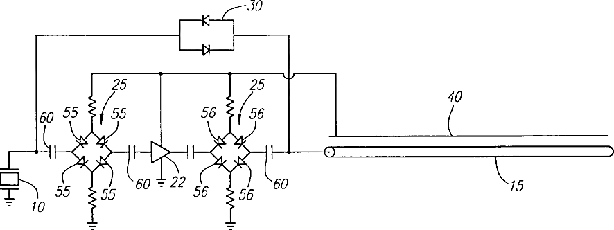
Preamplifier and protection circuit for an ultrasound catheter
授权日
2003-01-28
公开(公告)号
US6511432
申请日
2001-04-27
公开(公告)日
2003-01-28
当前申请(专利权)人
SCIMED LIFE SYSTEMS, INC.
发明人
MOORE, THOMAS C. | SUORSA, VEIJO | MASTERS, DONALD
简单同族
CA2369283A1 | EP1171038A1 | JP2002540881A | JP2002540881A5 | JP4814428B2 | US20010016688A1 | US6251078 | US6511432 | WO2000061008A1 | WO2000061008A9
简单同族成员数量
10
简单同族被引用专利总数
55
诉讼案件数
0
法律状态/事件
未缴年费
抱歉,您的浏览器不支持PDF预览,请点击链接下载PDF文件