专利数据库
统计分析
产业报告
专利数据监控
产业人才
行业动态
产业政策法规
维权援助
个人中心
详情
文本
图像
标题
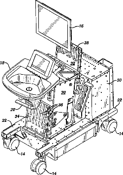
Ultrasonic diagnostic imaging system with elevated and tilted scanhead connectors
授权日
2004-05-25
公开(公告)号
US6739197
申请日
2002-05-23
公开(公告)日
2004-05-25
当前申请(专利权)人
KONINKLIJKE PHILIPS ELECTRONICS N.V.
发明人
COLLINS, JACK | MATSUI, YAS | LINCOLN, ROBERT | WHELCHEL, LYLE | MESAROS, ROBERT
简单同族
CN1473548A | JP2003339702A | US20030217600A1 | US6739197
简单同族成员数量
4
简单同族被引用专利总数
18
诉讼案件数
0
法律状态/事件
未缴年费 | 权利转移
抱歉,您的浏览器不支持PDF预览,请点击链接下载PDF文件