专利数据库
统计分析
产业报告
专利数据监控
产业人才
行业动态
产业政策法规
维权援助
个人中心
详情
文本
图像
标题
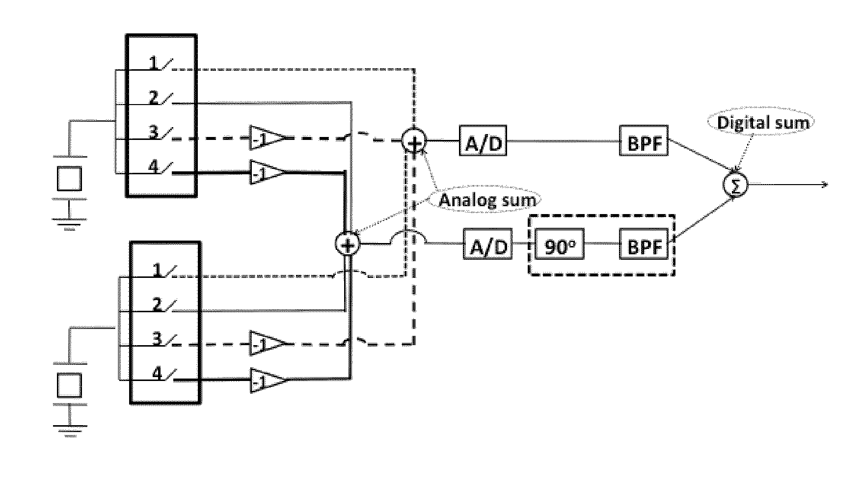
Fresnel-based beamforming for ultrasonic arrays
授权日
2013-09-03
公开(公告)号
US8523774
申请日
2010-09-03
公开(公告)日
2013-09-03
当前申请(专利权)人
UNIVERSITY OF SOUTHERN CALIFORNIA
发明人
YEN, JESSE | MUNG, JAY | NGUYEN, MAN
简单同族
CN102573651A | CN102573651B | EP2473112A2 | EP2473112A4 | US20110060226A1 | US8523774 | WO2011029045A2 | WO2011029045A3
简单同族成员数量
8
简单同族被引用专利总数
46
诉讼案件数
0
法律状态/事件
授权 | 权利转移
抱歉,您的浏览器不支持PDF预览,请点击链接下载PDF文件